Кожухотрубный теплоообменник ТТМ5 57/108-1,6/1,6

11 февраля в 10:17
Описание
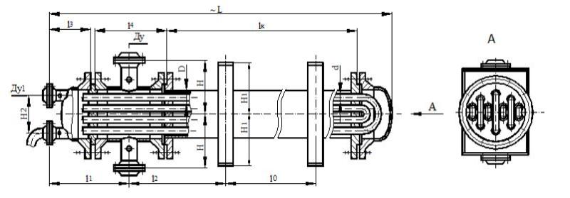
Теплообменник труба в трубе ттм предусмотрен для организации процессов теплообмена при больших расходах рабочих сред от 10 до 300 тонн в час. Участвуют в процессах конвективного теплообмена: жидкость - жидкость, жидкость - газ и газ - газ. В теплообменниках ттм предусмотрена компенсация линейного удлинения теплообменных труб, для труб кожуха так же есть компенсатор, но только в определенных пределах. Перепад температуры на входе и выходе не должен быть более 150 0С.
Цену уточняйте.
Контактная информация

Профиль пользователя: Смотреть профиль

Все товары и услуги пользователя: Найти

Название предприятия: ООО "ЗТК"

Контактное лицо: во-115/1510-60Н-ухл4 Воздухоохладитель

Город: Челябинск

Код города: Челябинск

Телефон: +73512179899

59
Закладки
Комментарии 0

Никто пока не комментировал эту страницу.

 
Написать комментарий
Можно не указывать
На этот адрес будет отправлен ответ. Адрес не будет показан на сайте
*Обязательное поле
Самое интересное в рубрике трансформаторное оборудование, (продажа)
Последние публикации
Сейчас читают
Последние комментарии